Das Ziel:
- Senkung der Eisen- und Mangangehalte im Trinkwasser
- pH-Korrektur
Der Ansatz:
Eine hydraulische Installation und die Kombination von zwei Verfahrensstufen
Die besondere Herausforderung:
- Wie wird organisch belastetes Wasser mit erhöhtem Eisen- und Mangangehalt behandelt, um die Eisen- und Mangangehalte im Trinkwasser zu senken?
- Wie wird der pH-Gehalt korrigiert?
Die Lösung:
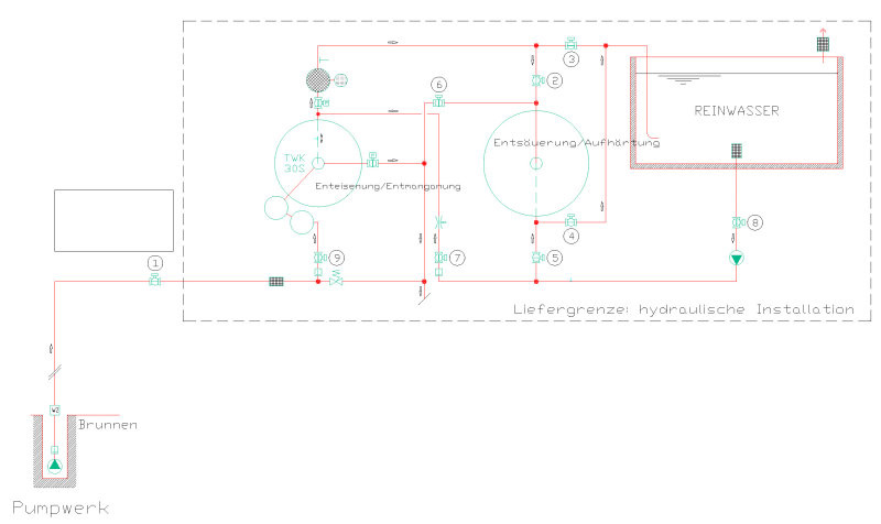
Trinkwasseraufbereitungsanlage mit Hochbehälterinstallation und Pumpwerk
Die Trinkwasserversorgung der Gemeinde Ahorntal wird mit einer 2-stufigen Kompakt-Wasseraufbereitungsanlage ausgerüstet. Verfahrensstufen sind die Enteisenung/Entmanganung und die Entsäuerung/Aufhärtung.
Die Enteisenung/Entmanganung erfolgt in einer geschlossenen Kompaktanlage mit Ozon-Oxidation, Mehrschichtfiltration und Nachoxidation. Die Entsäuerung/Aufhärtung verläuft in einem geschlossenen Filterbehälter mit dolomitischem Filtermaterial der Körnung 0,5 - 2,5 mm.
Die Aufbereitungsanlage ist im bestehenden Hochbehälter-Rohrkeller installiert. Mit der Erstellung der Aufbereitungsanlage ist die Brunnenpumpe erneuert und den geänderten Betriebsverhältnissen angepasst.
Die komplette Installation ist in Edelstahl ausgeführt.
Die Rückspülung der beiden Filterbehälter erfolgt mit Reinwasser aus dem Hochbehälter.
Nenndurchsatz: 10 l/s
Der Leistungsumfang für Umwelttechnik Bojahr:
Ausführungsplanung
Das Ergebnis:
Nach der Aufbereitung hat das Trinkwasser nun konstant die geforderte Qualität








